Intro
Water is used in almost all technological processes, with no regard to the size and purpose of production.
Efficient water treatment is a combination of measures that provide the enterprise with water of the required quality, and also make it possible to:
✔️ increase reliability and extend equipment service life;
✔️ reduce capital expenditures for operation;
✔️ reduce harmful wastewater emissions.
Main sources and water preparation methods
Efficient water treatment begins with selection of the best available water supply source. The sources of water for any enterprise can be surface water bodies such as rivers, ponds, dam lakes or underground water.
Selecting a water source.
Selection of a water source for any enterprise is justified by geographical location and sustainability of a particular water supply source.
The main indicators of water quality are:
- concentration of coarse dispersed substances;
- oxidizability,
- hardness,
- alkalinity,
- silica content,
- specific electrical conductivity,
- azotates, nitrites,
- BOD (biochemical oxygen demand).
When choosing a water source it should be considered that the initial water quality directly affects the water treatment process and the choice of methods to be used. That is, if there are several reservoirs, you should choose the one in which the complexity and number of water purification stages will be the least.
Surface water sources
The advantage of using surface water sources is relative cheapness due to water availability. However, such water contains a large number of biological impurities: algae, fish, shells, etc.
Chemical composition and concentration of impurities in surface waters is influenced by many factors: size of the pond, time of the year, presence of floods and precipitation.
So, the main disadvantages of using such water are its unstable chemical composition and the water level in the pond.
Underground water sources
Underground sources are used when there are no surface water sources, their water quality is poor or purification cost exceeds the cost of water intake from wells.
However, for food industry, using underground water sources is still a priority.
Advantages: constant chemical composition and water temperature, as well as absence of biological contamination.
Disadvantage: high cost of drilling and maintenance of wells.
How to choose an effective water treatment method.
Water purification for any production process is a combination of measures aimed at obtaining water of needed quality according to the requirements of a particular enterprise.
Water treatment can be performed by several purification methods:
1. Mechanical filtration:
1.1. Coagulation and flocculation
Removal of colloidal particles and suspended matter by adding coagulants (such as aluminum sulfate) and flocculants in order to form large sediments that are then easily removed.
1.2. Mechanical rough cleaning filters
To remove large particles, such as sticks, sand, dirt, water passes through sand, high-speed sand, mesh, plate or multilayer filters (used not very often).
1.3. Clarification and settling
It makes possible to remove sediments, formed as a result of coagulation and flocculation.
For this purpose, water is sedimentation and purified from impurities or goes through clarification facilities.
1.4. Reverse osmosis
It is used to remove dissolved salts and other small impurities. For these purposes water is sent through a semipermeable membrane under high pressure where salts and other substances are captured.
These water purification methods can be used separately or in combination.
For example, in rainwater collecting and cleaning technology, the settling method (1.3) is combined with the subsequent adding a coagulant (1.1) to speed up the settling process. After that, clarified water is fed to sand filters (1.2) for final cleaning.
This combination enables optimization of the cleaning process. The settling area is reduced by adding flocculant and the clarification process is getting faster. The number of filters and the frequency of filter washing for final removal of fine suspended solids is also reduced.
2. Chemical purification
2.1. Ionic exchange
The purpose of this method is to remove desired elements, such as calcium, magnesium, sodium, etc. by replacing them with those less harmful for production. It is carried out in ion-exchange filters, filled with ion-exchange resin, which can be in form of solid granules, liquid, gel-like structures.
2.2. Ultraviolet disinfection
To destroy bacteria, viruses and other microorganisms, water is sent through installations with UV radiation.
2.3. Sorption
Removal of organic contaminants, tastes and odors using activated carbon and other sorbents.
2.4. Ozone treatment
Passing ozone through water helps destroy microorganisms and decompose organic matter.
2.5. Chemical disinfection (chlorination):
Destruction of pathogenic microorganisms by adding chlorine in the form of gas or chlorine-containing substances such as sodium hypochlorite.
2.6. Soda-liming.
This process is based on adding to water slaked lime (Ca(OH)₂) and soda (Na₂CO₃), which enter into chemical reactions with hardness salts, turning them into sediments that can be then easily removed.
Combination of various methods of chemical and mechanical cleaning is successfully used in preparation of make-up water for combined heat and power plants (CHP).
Water, coming from the source, undergoes mechanical filtration (1.2). Then it is partially sent to production (for low-pressure boilers and boiler plants) or to ionic exchange (2.1) for high-pressure boilers.
This solution was implemented at TPP-5 in Kharkiv, Ukraine.
Thus, an effective water treatment scheme means an optimal choice of combination of all above-mentioned methods, as well as necessary reagents in proper quantities, required for the process.
The choice of methods entirely depends on the initial water quality as well as on the final result, that must be obtained. Therefore, development of a water treatment system is always individual for each particular enterprise.
List of services, provided by M HEAVY TECHNOLOGY in the field of industrial water treatment
M HEAVY TECHNOLOGY provides a full range of services in development of water treatment systems for enterprises, from selection of conceptual solutions to commissioning of the facility.
The company offers the following range of services for existing enterprises:
- analysis of the current treatment procedure and water use;
- development of proposals for improvement and modernization of production;
Based on the scope of work agreed with the Customer, the company’s specialists issue design documentation, that includes:
- layouts and P&ID diagrams;
- a general 3D model that can be used by the Customer throughout the entire life cycle of the enterprise;
- specifications of equipment, items and materials;
- floor plans and detailed equipment drawings.
Industries that require water treatment
In the modern world water preparation is necessary in any production, if not for technological processes, then for the needs of the personnel as potable water.
The main areas, where water undergoes thorough treatment, are:
- Power industry
Electric power generation requires purified water for its use in steam turbines, boilers, and cooling systems. The presence of impurities can result in equipment corrosion and scale formation, which reduce operating efficiency and increase operating costs.
- Metallurgical industry
In steelmaking water is used for cooling blast furnaces, smelting, casting and processing metals as well as for hydraulic systems.
Demineralization and removal of suspended solids are used to prevent equipment corrosion and product contamination.
- Mining industry
Water is used for ore washing, mineral processing and for hydraulic jigging systems. The quality of water affects the efficiency of mining and processing.
Removal of solids, chemical contaminants and recovery of water is required for water reuse.
- Chemical industry
Here water is used for technological processes as well as for preparation of solutions, equipment washing and cooling. The presence of impurities can lead to undesirable chemical reactions and deterioration of products.
For chemical industry it is important to remove salts, organic contaminants and microorganisms.
- Food industry
Water is subject to very high requirements, as it directly affects safety and product quality. Ultrafiltration, reverse osmosis and disinfection are often used.
- Pharmaceutical industry
It also places strict demands on water, as it is used for technological processes and preparation of medicines, sterile solutions etc.
Deionization, reverse osmosis and sterilization methods are used to achieve quality level “water for injection” (WFI).
Water after appropriate treatment is also used in many other industries, such as petrochemical, textile, pulp and paper industries, agriculture etc.
Technologies, provided by M Heavy Technology in water treatment projects
For all above-mentioned industries, specialists of M HEAVY TECHNOLOGY develop individual water treatment flow-charts, which include optimal technologies with the use of high-quality equipment and a combination of mechanical and chemical water treatment methods.
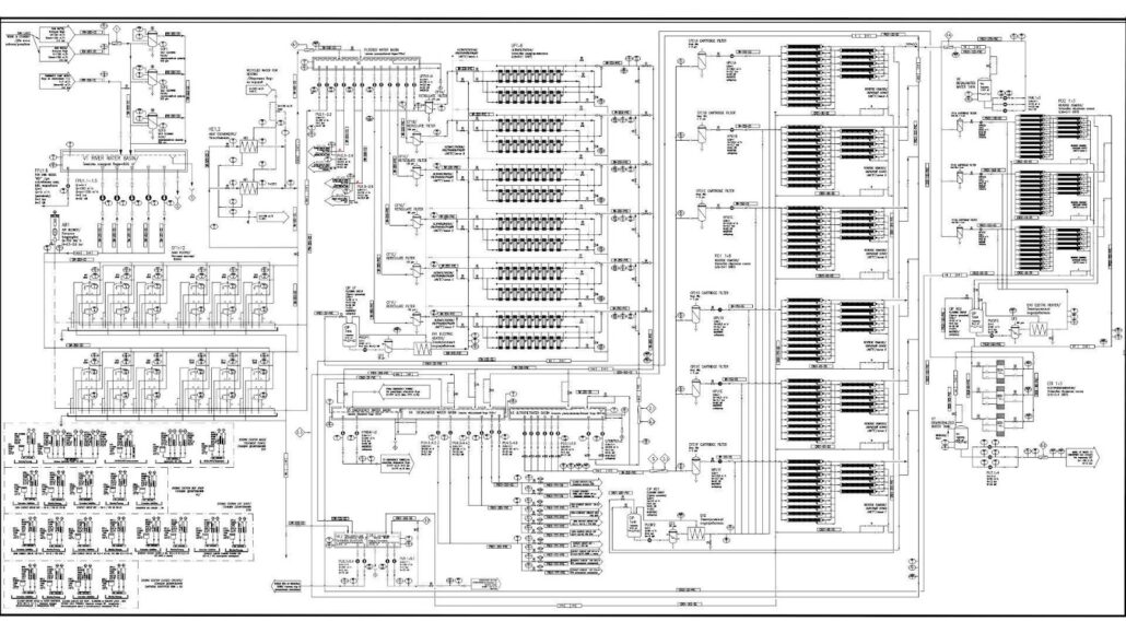
Detailed description of the flow-chart.

Conclusions:
As we can see, efficient water treatment is a core process for successful functioning of many industrial enterprises.
High water quality not only ensures trouble-free operation of equipment, but also directly influences the product quality, process safety and environmental responsibility.
Modern cleaning technologies make it possible to achieve the needed level of water purity for various purposes.
Each industry requires an individual approach to selection of water treatment methods, depending on the processes specifics, to optimize production costs and increase the overall efficiency of the enterprise.
